Z11A-8-1







    Описание:
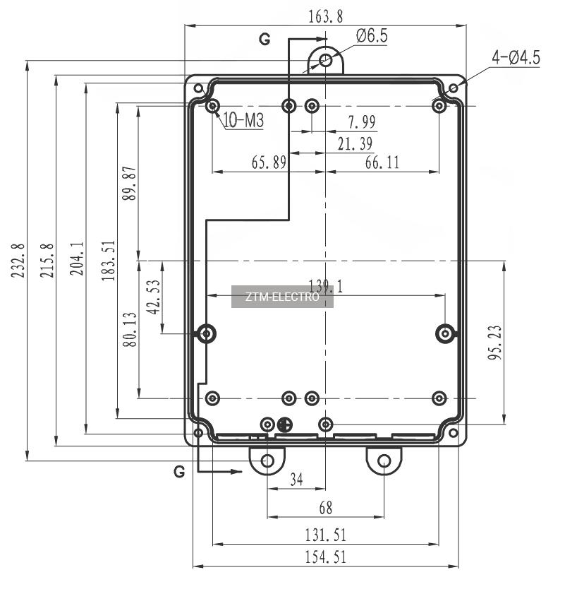
Корпус из алюминия для измерительных приборов, сетевых фильтров, датчиков и другого оборудования.
Документация (PDF)Характеристики:
| Длина, мм: | 216 | 
| Ширина, мм: | 164 | 
| Высота, мм: | 68 | 
| Материал корпуса: | Алюминий | 
| Степень защиты: | IP54 | 
| Температурный диапазон: | -40 ℃ ~ 120 ℃ | 
| Крепление крышки: | 4 винта | 
| Фланец для монтажа: | Да | 
| Порошковая покраска поверхности: | Да | 
| Ударопрочность: | Да | 
| Устойчивость к ржавчине: | Да | 
| Окно под ЖК-дисплей(индикатор): | 75,4*75,3 | 
| Индивидуальное изготовление отверстий по чертежам: | Да |